Pic16F84−−−−RS232C ラインモニタ
RS232Cのデータを表示する

***************************************************************************

	RS232c	: 9600ボー、4800ボー、2400ボー、1200ボー、
		  7ビット、8ビット
		  1ストップビット
		  EVEN、ODD、パリティなし

	display : 16桁2行 LCD
		  アスキー、ヘキサ表示

	CPU	: 16F84	---- 8MHz.(500ns)

***************************************************************************


keyの仕様

      黒keyをonすると	     赤keyをonすると
     (モード セレクト)             (スタートストップ&チェンジ)

	RS checker Vr1.0	>    ラインモニターモード    >(左に戻る)
	 9600.8.non.asc		     (カーソルブリンク)  

		∨

	 ** Mode set **
	 Speed 9600bps		>    4800bps  >  2400bps  >  1200bps  >

		∨

	 ** Mode set **
	 D-length 8bit		>    7bit    >

		∨

	 ** Mode set **
	 Parity non		>    use     >

		∨

	 ** Mode set **
	 Display asc            >    hex    >

		∨
	   (上に戻る)



チェック端子について
	  check1(ra2)は、割り込み処理を実行中にhighが出力します。
	クロックを変更する場合は、この信号がシリアルデータの各ビットの
	中央になるように、スタートビット時間とデータビット間時間の値を
	調整してください。
	
	ソースファイルの696行目から755行目までの各ボーレート全て

		movlw	'9'
		call	LDwrite
		movlw	'6'
		call	LDwrite
		movlw	0d7h      <---		; データビット間時間設定
		movwf	_w_time
		movlw	0fah      <---		; スタートビット時間設定
		movwf	_wh_time
		goto	dsp_bps_04


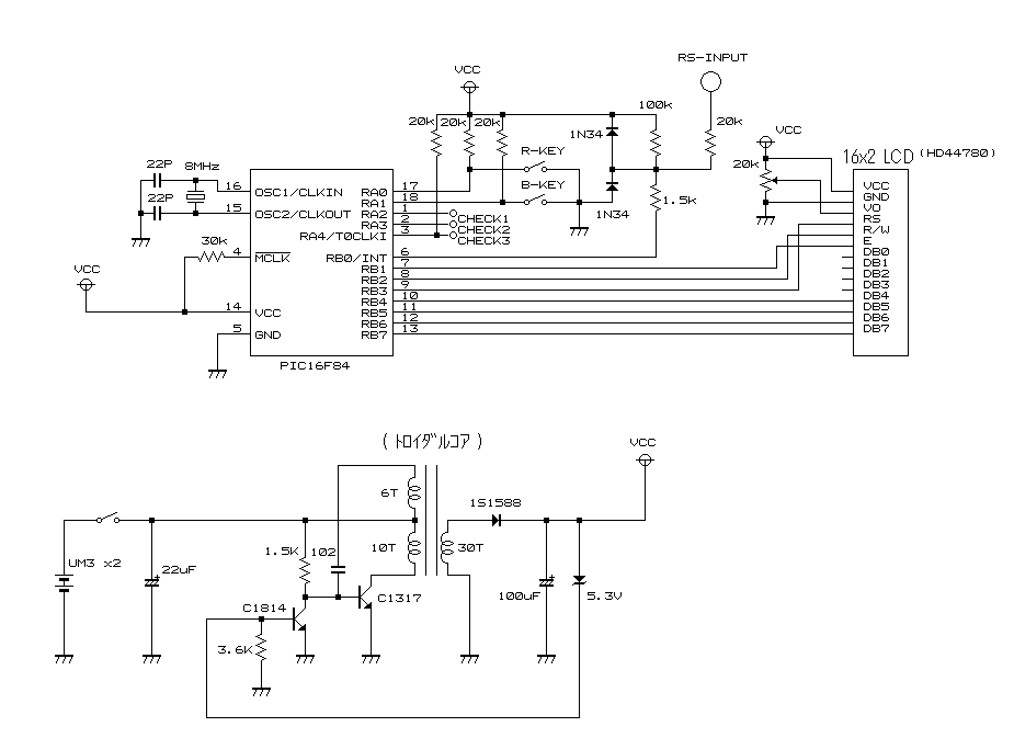
電源について

	 電源は、手持ちに有った、規格の不明なトロイダルコア(直径約20mm)
	にホルマル線を手巻きしたトランスを使い、電池2本(3v)をDDコンバー
	タで5vにしています。効率は70%程度ですが、cpuの消費電流が少ない
	ため、電池の電流が15mA程度におさまっています。
	電池4本にして三端子レギュレータを使用したほうが、簡単でいいと思います。


 * ファイルリスト *

	rscheck3.ASM	ソースファイル
	rscheck3.HEX	プログラム書込みようヘキサファイル
	rs_check.GIF	回路図
	rs_check.TXT	説明


・ヴァージョンUP (1999/10/14)

	9600bpsでマージンが少ない為データビット間時間設定を d8h から d7h
    に変更



*RS232C ラインモニタ ソースファイル*−−rs_ch_03.lzh ( 約17kByt )




戻る