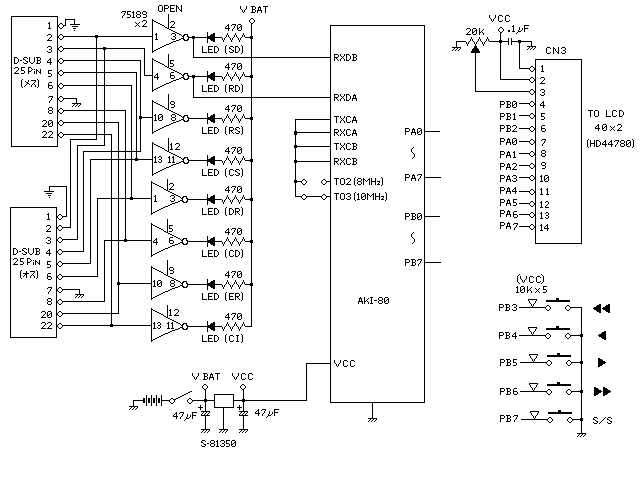
RS232C ラインモニタ


   AKI80−10MHz(RAM32KByt)と40桁2行表示LCD
(HD44780)を使用し、RS232Cの通信ラインの中間に入れ、 送受
信データのモニタを行えます。

 ・規格 1.通信速度  300BPS 〜 9600BPS 2.バッファー  約20KByt 3.表  示   アスキー文字,16進表示切り替え 4.モニタ中   BUSY表示のみ  ・モード設定表示内容(矢印にて現モード表示) '1ドウサ モード ヒョウジ モニター ' '2ツウシン ソクド 300 1200 2400 4800 9600' '3データ ビット 7bit 8bit ' '4ストップビット 1bit 1.5bit 2bit' '5パリティビット ナシ ODD EVEN' '6メモリー モード ラインメモリ リングメモリ ' '7ヒョウジモード アスキー HEX '  ・表示モード内容    ラインメモリモード時(先頭データから表示) 先頭表示データ(A)のデータナンバー ▽    R[ 1]ABCD GHIJKLM OPQRSTUVW (受信データ) S[ 25] EF N XYZ (送信データ)       △ 総データ数    リングメモリモード時は最終データから表示し、先頭データナンバーが    最終データナンバーとなり右端に表示に変わります。  ・KEY動作    "<<"KEY 設定モード   モード下送り 表示モード ページ左送り(押したままで高速送り)    "<"KEY 設定モード   矢印左送り 表示モード ページ左送り    ">"KEY 設定モード   矢印右送り 表示モード ページ右送り    ">>"KEY 設定モード   モード上送り 表示モード ページ右送り(押したままで高速送り)    "S/S"KEY 設定、表示、モニタ、動作モード切替え  AKI80は付属の19.6608MHzのクリスタルを使用します。単純 に処理時間を計算すると、約120KBPS(9600BPSまでしか確認し ていません)まで動作可能になります。そのため、4MHz動作のZ80で十 分動作すると思います(CTCの設定変更が必要)。RAMは32KByt必 要ですが、ROMは8KBytのもので十分です。  CTCはクロックが10MHz(9.8304MHz)の場合CTC−3を 使用、8MHz(7.3728MHz)の場合はCTC−2を使用するよう結 線します。その他の周波数の場合は、メインプログラムのCTCの設定を変え れば動作します。  * ファイルリスト * L_MONI.SRC メインプログラム SLIM.ADR i/oアドレス設定 D_MODE_S.Z80 表示モード動作プログラム P_MODE_S.Z80 モード設定動作プログラム LCD_DRV.Z80 LCDドライブプログラム DSPLY_80.Z80 40桁x2行LCD表示プログラム L_MONI.BIN ROM書込みようバイナリーデータ

*RS232C ラインモニタ ソースファイル*−− l_moni02.lzh ( 約27kByt )


 * 参考文献 *
        インターフェース93年5月号「作りながら学ぶRS−232−C
        インターフェース」





戻る