プレーステーション専用赤外線リモコンパッドで、ビデオリモコンでノーマルパッドと してプレステを操作出来ます。現時点では、 電源ONkey ---> 上key 停止key -------> 下key 巻き戻しkey ---> 左key 早送りkey -----> 右key 再生key --------> 丸key 以上の5個のkeyの操作を行うことが出来ます、これは私の持っているカードリモコ ンに合わせて決めただけです。これだけで、プレステでCDの再生を行うことが出来ま すから、リモコン式のCDプレーヤーとして使うことが出来ます。

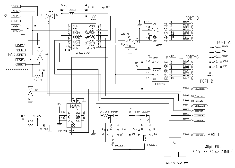
動作確認が出来ているのは旧プレーステーションだけで、プレーステーション2で動作 するか確認は出来ていません。それから、対応しているリモコンはソニーのビデオの1 品種だけです。プログラムは多品種のリモコンに対応可能にしてありますが、現在のプ ログラムは動作しません、ポートAにつないで有る5個のSWは必ず全てOFFにして おいてください、さもないとPIC16F877が暴走状態になります。 また、電源は外部電源を使用した方が無難です、約50mAぐらい必要で、プレステ本 体に20mAのヒューズ入っているという話も有るためです、確認はしていません。 また、本体とパッドの間に挿入することも考慮してありますが、まだ対応は出来ていま せん。 回路図
プレーステーションとパッドは、クロックに同期したシリアル通信で行っています、そ
の部分はロジックICとGAL16V8を使用して有ります。詳しいデータは下記の場
所からダウンロード出来ると思います。
パッドの資料
http://www.keisei.tsukuba.ac.jp/~kashima/index-j.html
GALの資料とコンパイラとライター
http://www2s.biglobe.ne.jp/~elm/index_j.html
GALのソースファイルは、上記のホームページで公開されている、コンパイラ用です
またロジックICに置き換える場合は下記のようになります、ただしこの回路は動作確
認をしていませんからご自身の責任で製作してください。
本体に接続しないで、チェックをするための疑似パルス発生器も作成したので、その出 力を、基板のSELとCLKとCMDに接続して、TRIGをオシロスコープの同期入 力に接続し、ACKとCDATをオシロスコープでパッドのデータの資料と比べて確認 を行ってください。 RB6のスイッチをオンするとパッドコマンドからメモリーカードコマンドにいつでも変わ ります
ソースファイルはMPASMの Radix を Decimal にしアセンブルしています。コンフィ グレジスターの設定はソースファイルに書いてありますが、pa_pad01.asm のOSCはHS、 パワーアップタイマーON、ウオッチドックタイマーOFF、ブラウンアウトリセットO N、低電圧プログラミング許可OFF、プログラムメモリー書き込み許可OFF、デバッ ク許可OFFにしてください。 また ps_sml.asm のOSCはHS、パワーアップタイマーON、ウオッチドックタイマー OFFとします。 最後に 疑問点等があればメールをください。出来る限りお答えするようにします。 このプログラムは、フリーウェアーなので、自由に配布可能です。 使用者自身の責任でご使用下さい。 「このソフトによってどのような損害が出ても私は責任を負いかねます。」
ファイル内容 ps_pad01.asm ----> リモコンパッドソースファイル ps_pad01.hex ----> 上記書き込み用Hexファイル ps_sml.asm ------> 疑似パルス派生器ソースファイル ps_sml.hex ------> 上記書き込み用Hexファイル ps_pad01.pld ----> GAL用ソースファイル ps_pad01.jed ----> 上記書き込み用ファイル ps_pad01.gif ----> リモコンパッド回路図 ps_sml.gif ------> 疑似パルス発生器回路図 pspadgal.gif ----> GALプログラム等価回路図 readme.txt ------> このページのテキスト版