16x16ドットLED 電光表示ボード 回路説明1

1・メモリアドレスマップ


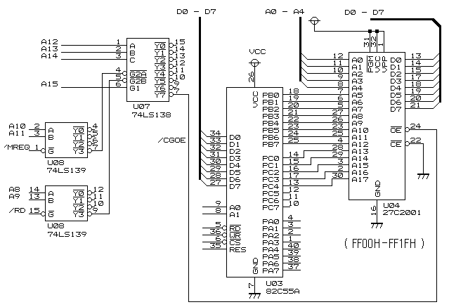
  メモリのアドレスは、上図のようになっています。まずプログラムROMのエリア   が32kBytあり、続いてRAMエリアが8kBytあります。これは使用して   いるCPUボード(DB-80W)がこうなっていたもので、それに外部回路を追   加して、CG-ROMのデータを1文字分リードする為のウインドーをFF00h   から32バイトを設けています。漢字コードを82C55のポートBとポートCに   セットしFF00hから32バイトをリードすることで、その漢字のキャラクター   データを取得できます。ただし、すべてのアドレスバスをデコーダーしていない為   RAMとCG-ROMウインドウは、イメージが出ます。その点を考慮しプログラム   を行う必要があります。
質問等があればお気軽にメール下さい、すぐに返事が出来ないときもありますがわかる 限り対応するように致します。




戻る