AT90S1200 Lcd表示プログラム サンプル
AT90S1200を使い、秋月で販売している16桁2行表示のLcdに文字を
表示させるだけのプログラムのサンプルです、ライターのテストの為に書いたプロ
グラムであり、ただ表示するだけの機能しかありませんがデータ入力のプログラム
を追加すれば、役に立つと思います。
なお、LcdはドライバーのICが日立製のHD44780を使用しているもので
有れば動作します。クロックは10MhzでHD44780を使用しているものに
タイミングを合わせています。秋月のLcdで有れば、クロックが12Mhzでも
動作可能(各パルスの最低タイムが約半分になっている)だと思います。

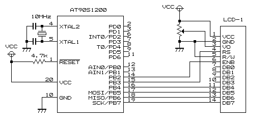
・AT90S1200とLcdの接続図
・1文字データの表示
以下のようにレジスタ変数 lcd_data に、表示したい文字のデータをセットして
サブルーチン lcd_dsp をコールします。
リターンしてから、最低40μs以上待ってから、次のデータをLcdに出力す
る必要があります。
ldi lcd_data,'T' ; T の文字を表示
rcall lcd_dsp
rcall wait_100u
・コマンドの実行
1文字表示と同様にレジスタ変数 lcd_data に実行したいコマンドをセットして
サブルーチン lcd_commd をコールします。
リターンしてから、表示クリアーとカーソルホームのコマンドは1.64ms以
上、その他のコマンドは40μs以上の待ち時間が必要です
ldi lcd_data,$01 ; Lcd クリアー
rcall lcd_commd
rcall wait_5m
・2行目の表示
2行目の先頭に文字を表示する場合は、DDRAMアドレスセットコマンドでアドレス
を40h(16進)に移動させてから、文字データを出力します。
ldi lcd_data,$c0 ; アドレスを2行目の先頭(40h)に移動
rcall lcd_commd
rcall wait_100u
ldi lcd_data,'T' ; T の文字を表示
rcall lcd_dsp
rcall wait_100u
・アセンブラ
アトメル社のホームページからダウンロードしたアセンブラ(Ver1.3)で
作成しています
・最後に
疑問点等があればメールをください。出来る限りお答えするようにします。
このプログラムは、フリーウェアーなので、自由に配布可能です。使用者自身の
責任でご使用下さい。
「このソフトによってどのような損害が出ても私は責任を負いかねます。」
*AT90S1200 Lcd 表示ソフト*−−at90lcd0.lzh ( 約10kByt )
ファイル内容
at90lcd0.asm ソースファイル
at90lcd0.hex 書きこみ用ヘキサファイル
at90lcd0.gif 回路図
readme.txt 使用説明ファイル
戻る